| ©ШвЕцApTeM | Дата: Воскресенье, 07.09.25, 21:42:43 | Сообщение # 1 |
 Элитная Легенда
Группа: Администраторы
Сообщений: 196
Репутация: 777
Статус: Оффлайн
| Особенно зимой не хватало рычагов регулировки зеркал. Очень захотелось этот момент изменить. Знал бы я во что это выльется… 🤪 наверное не осмелился, но ладно, про зеркала
Взял зеркала механическое с приводом » ALKAR 6164603 и ALKAR 6165603
А также, раз влезать в это дело, купил зеркальные элементы асферические с обогревом » ERGON 21239800 и ERGON 21239806» И провод НВ-4 1,5 мм², по 10 м, черный и красный
Ну и начались приключения 😁
Зеркальные элементы не подходили, пришлось переклеивать
 сверху ALKAR, снизу ERGON. Нижний элемент с обогревом отклеил и защелкнул в ALKAR
 сверху ALKAR и снизу ERGON разница
 получилось так, подрезал для проводов, а также в окружности зеркало чуть больше, пришлось по кругу нарезки сделать, чтобы защёлкнуть
 Делаем отверстия в дверях. Тут я ошибся, мелкие отверстия должны быть вертикально (пока не переделал).


 Отверстия были окрашены
 Помощники, ступенчатые сверла

 Установка, провода и тросы уложил так. В заглушке под провода вырезал канавку (в районе большого пальца)
 Тут вырезал так
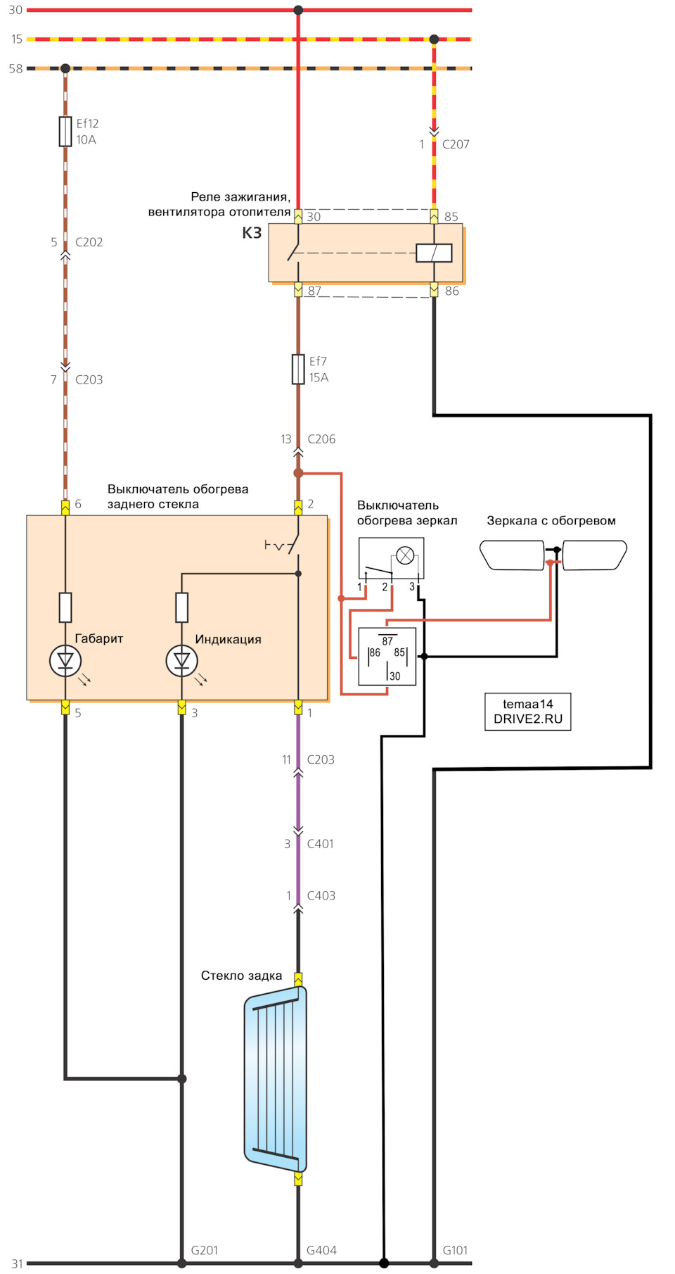
 Подключение от кнопки обогрева заднего стекла, через реле и новой кнопки, которую установил на заглушке, слева от аварийки
 Схема
 вид с новым
 старое
 новое
 новое
Провода проводил в защитных трубках между дверей, которые пришлось тоже устанавливать дополнительно, их не было
Немного не привычно, асферические зеркала, сильно меняют картинку, пришлось привыкать, двигаясь задом (ну к этому быстро привыкаешь)
Обогрев, это ваще супер 👍 Мокрое зеркало за пять минут уже сухое. Зимой вообще классно будет 😊
Также из-за специального покрытия, зеркала не ослепляют от задних фар
Для установки зеркал, пришлось искать дверные карты, чтобы рычаги выглядели хорошо (на фото их уже видно). Там еще интереснее всё пошло, есть с чем поделится, будем писать в следующий раз
29 июля 2022 Цена вопроса: 7 500 ₽ Пробег: 53 150 км
Администрация
|
| |
| |